


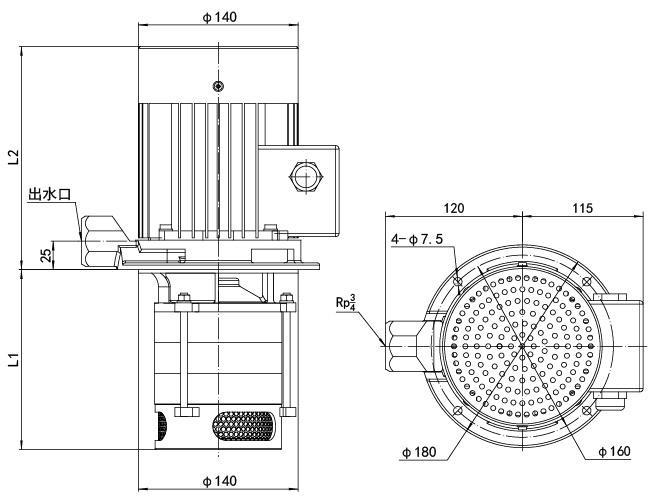
| 型號系列 | H1(mm) | H2(mm) |
| QDYB2,4 | 25 | 55 |

| 序號 | 名稱 | 材料 |
| 1 | 底座 | 不銹鋼 |
| 2 | 底部導流器 | 不銹鋼 |
| 3 | 葉輪 | 不銹鋼 |
| 4 | 軸套 | 不銹鋼 |
| 5 | 導流器 | 不銹鋼 |
| 6 | 軸 | 不銹鋼 |
| 7 | 拉桿 | 不銹鋼 |
| 8 | 機械密封 | 合金 |
| 9 | 出水段 | 鑄鐵 |
| 10 | 電動機 |



|
流量范圍 [m3/h]
|
Q=1~7m3/h
|
| 流量范圍 [L/min] | Q=16~120L/min |
| 揚程 [m] | H=5~40m |
| 電機功率 [kW] | N=0.37kW~0.75kW |
| 液體溫度 [℃] | -15℃~+120℃ |
| 型號 |
配用電機 (kw) |
流量 Q(m3/h) |
1 | 1.2 | 1.6 | 2.0 | 2.4 | 2.8 | 3.2 | 3.6 |
| QDYB2/10-131 | 0.37 |
揚程 H(m) |
9 | 8.9 | 8.7 | 8.5 | 8 | 7.6 | 7.3 | 7 |
| QDYB2/20-131 | 0.37 | 18 | 17.8 | 17.4 | 17 | 16 | 15.2 | 14.6 | 14 | |
| QDYB2/30-158 | 0.55 | 27 | 26.5 | 26 | 25.5 | 24 | 23 | 22 | 21 | |
| QDYB2/40-185 | 0.75 | 36 | 35 | 34.5 | 34 | 32 | 30.5 | 29.5 | 28 |
| 型號 |
配用電機 (kw) |
流量 Q(m3/h) |
1.8 | 2.4 | 3.0 | 4.0 | 4.8 | 6.0 | 7.0 |
| QDYB4/10-131 | 0.37 |
揚程 H(m) |
8.9 | 8.7 | 8.5 | 8 | 7.5 | 6.5 | 5 |
| QDYB4/20-158 | 0.55 | 17.8 | 17.4 | 17 | 16 | 15 | 13 | 10 | |
| QDYB4/30-185 | 0.75 | 26.5 | 26 | 25.5 | 24 | 22.5 | 19.5 | 15 | |
| QDYB4/40-185 | 0.75 | 35 | 34.5 | 34 | 32 | 30 | 26 | 20 |